This page needs JavaScript activated to work. Schneeschild mit Aufnahme für Teleskoplader Merlo- 260 cm- Mod. SSH-04-2.6-MERLO
KOSTENLOSER VERSAND IN GANZ ÖSTERREICH

Wir liefern KOSTENLOS ! Besuche und Abholungen von unserer NL in Süd-Deutschland sind nach Vereinbarung unter Tel. +49 (0)176 43485982 möglich. Voraussichtliche Lieferzeit 15 - 20 Tagen ab Bestellung. Versand erfolgt mit DB Schenker oder Paketdienst. Sie bekommen vor Versand eine telef. Benachrichtigung von uns. Die Sendung wird vom Spediteur telef. avisiert.

Chuck Norris bietet Ihnen 5%RABATTauf das zweite Produkt SIEHE DETAILS

Loading...

Schneeschild mit Aufnahme für Teleskoplader Merlo- 260 cm- Mod. SSH-04-2.6-MERLO

Bewertungen

Verfügbar
Artikelnummer SSH0426ME
EAN 8053470231797
Siehe alle Details.
GESAMT
4.223,00inkl. MwSt
Kostenlose Lieferung!
WEITERE INFORMATIONEN ANFRAGEN

DETAILS

Schneepflug, Schiebeschild, Schneeschieber mit Aufnahme für Teleskoplader/Radlader Merlo


ÜBERBLICK

Das Schneeschild SSH-04-2.6-MERLO  ist mit 4 Schlagschutzfedern ausgestattet, welche eine optimale Führung des Schildes gewähren und die Rückkehr in die Ausgangs- bzw. Arbeitsposition sicherstellen. Das Schneeschild ist Dank seiner zwei Hydraulikzylinder rechts und links schwenkbar. Die Räumleiste besteht aus 2 oszillierenden Teilen. 


VORTEILE UND MERKMALE

Aufnahme für Teleskoplader Merlo

2 Hydraulikzylinder für Rechts - / Linksdrehung

6 Schlagschutzfedern

Dreiteilige Räumleiste in Stahl oder Gummi.

Stahl HARDOX - oder Gummischürfleiste

Hydraulikschläuche mit 1/2" Schnellkupplung

Stützfüsse

Stützräder

CE - Zertifizierung

 

MERKMALE

Merkmale Metrische Einheit
Gewicht 470.0 kg
Gesamthöhe 880.0 mm
Gesamttiefe 900.0 mm
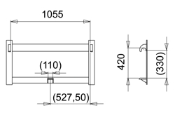
Aufnahme Maße Siehe Bild
Öldruck 110 - 150 bar
Optimale Öldurchflussmenge 18 - 22 l/min
Anbau MERLO
Seitenverstellung links/rechts 25°
Schwimmstellung +/- 4°
Räumschild Höhe 880.0 mm
Materialstärke Seitenteile 7.0 mm
Schlagschutzfedern 6
Schneide Stahl oder Kunststoff
Schneide Höhe 200.0mm / 180.0mm
Schneide Materialstärke 20.0mm / 55.0mm
Anzahl der Leisten 3
Distanz zw. Befestigungsschrauben 175.0 mm
Beleuchtung
Abnehmbare Gleitkufen Räder
Arbeitsbreite 2400.0 mm
Ps. Kategorie Traktor MERLO
Hydraulikschläuche 2x 1,6m mit 1/2" Schnellwechselkupplung, WP-400 bar
Gesamtbreite 2600.0 mm
Materialstärke Schild 4.0 mm
Hydraulikzylinder Durchmesser 73.0/36.0 mm
Packmaße 2600*1000*1000 mm

Datenblatt

DETAILS
MERKMALE
Datenblatt

DETAILS

SCHLIESSEN

Schneepflug, Schiebeschild, Schneeschieber mit Aufnahme für Teleskoplader/Radlader Merlo


ÜBERBLICK

Das Schneeschild SSH-04-2.6-MERLO  ist mit 4 Schlagschutzfedern ausgestattet, welche eine optimale Führung des Schildes gewähren und die Rückkehr in die Ausgangs- bzw. Arbeitsposition sicherstellen. Das Schneeschild ist Dank seiner zwei Hydraulikzylinder rechts und links schwenkbar. Die Räumleiste besteht aus 2 oszillierenden Teilen. 


VORTEILE UND MERKMALE

Aufnahme für Teleskoplader Merlo

2 Hydraulikzylinder für Rechts - / Linksdrehung

6 Schlagschutzfedern

Dreiteilige Räumleiste in Stahl oder Gummi.

Stahl HARDOX - oder Gummischürfleiste

Hydraulikschläuche mit 1/2" Schnellkupplung

Stützfüsse

Stützräder

CE - Zertifizierung

 

MERKMALE

SCHLIESSEN
Merkmale Metrische Einheit
Gewicht 470.0 kg
Gesamthöhe 880.0 mm
Gesamttiefe 900.0 mm
Aufnahme Maße Siehe Bild
Öldruck 110 - 150 bar
Optimale Öldurchflussmenge 18 - 22 l/min
Anbau MERLO
Seitenverstellung links/rechts 25°
Schwimmstellung +/- 4°
Räumschild Höhe 880.0 mm
Materialstärke Seitenteile 7.0 mm
Schlagschutzfedern 6
Schneide Stahl oder Kunststoff
Schneide Höhe 200.0mm / 180.0mm
Schneide Materialstärke 20.0mm / 55.0mm
Anzahl der Leisten 3
Distanz zw. Befestigungsschrauben 175.0 mm
Beleuchtung
Abnehmbare Gleitkufen Räder
Arbeitsbreite 2400.0 mm
Ps. Kategorie Traktor MERLO
Hydraulikschläuche 2x 1,6m mit 1/2" Schnellwechselkupplung, WP-400 bar
Gesamtbreite 2600.0 mm
Materialstärke Schild 4.0 mm
Hydraulikzylinder Durchmesser 73.0/36.0 mm
Packmaße 2600*1000*1000 mm

Datenblatt

SCHLIESSEN

Zubehör

2 Ersatzfedern für unsere Schneeschilder SSH-04/LNV-315
Optionaler Sonderpreis. -20,70 207,00inkl. MwSt 186,30inkl. MwSt
Verfügbar

SSH-04/LNV-315

Ersatz - Begrenzungsleuchten SSH
Optionaler Sonderpreis. -11,90 119,00inkl. MwSt 107,10inkl. MwSt
Verfügbar

SSH/LNV-315

Ersatz-Gummiräumleiste für SSH-04-2.6
Optionaler Sonderpreis. -39,50 395,00inkl. MwSt 355,50inkl. MwSt
Verfügbar

SSH-04-2.6

Ersatz-Stahlräumleiste für SSH-04 2.6
Optionaler Sonderpreis. -48,50 485,00inkl. MwSt 436,50inkl. MwSt
Verfügbar

SSH-04 2.6 HARDOX

Ersatzrad für SSH/LNV-315
Optionaler Sonderpreis. -16,10 161,00inkl. MwSt 144,90inkl. MwSt
Verfügbar

SSH/LNV-315

Stützschaft für Laufrad SSH/LNV-315
Optionaler Sonderpreis. -5,70 57,00inkl. MwSt 51,30inkl. MwSt
Verfügbar

SSH/LNV-315

2 Ersatzfedern für unsere Schneeschilder SSH-04/LNV-315
Optionaler Sonderpreis. -20,70 207,00inkl. MwSt 186,30inkl. MwSt
Verfügbar

SSH-04/LNV-315

Ersatz - Begrenzungsleuchten SSH
Optionaler Sonderpreis. -11,90 119,00inkl. MwSt 107,10inkl. MwSt
Verfügbar

SSH/LNV-315

Ersatz-Gummiräumleiste für SSH-04-2.6
Optionaler Sonderpreis. -39,50 395,00inkl. MwSt 355,50inkl. MwSt
Verfügbar

SSH-04-2.6

Ersatz-Stahlräumleiste für SSH-04 2.6
Optionaler Sonderpreis. -48,50 485,00inkl. MwSt 436,50inkl. MwSt
Verfügbar

SSH-04 2.6 HARDOX

Ersatzrad für SSH/LNV-315
Optionaler Sonderpreis. -16,10 161,00inkl. MwSt 144,90inkl. MwSt
Verfügbar

SSH/LNV-315

Stützschaft für Laufrad SSH/LNV-315
Optionaler Sonderpreis. -5,70 57,00inkl. MwSt 51,30inkl. MwSt
Verfügbar

SSH/LNV-315

Bewertungen

Was unsere Kunden über uns sagen