DELEKS S.r.l.
Via Industriale, 23
25028 Verolanuova (BS) Italy
Tel. 030 6585725
Mail info@deleks.com
Lun - Ven: 9.00-13.00 / 14.00-18.00
Fällkopf, Fällgreifer / Grab für Minibagger - 100% HARDOX
DETAILS
Hydraulischer Fällgreifer – italienische Produktion – 100% Hardox, Klinge aus gehärtetem Stahl, zum Schneiden und Bearbeiten von Bäumen und Stämmen ø 10 cm.
ÜBERBLICK
CF-10 ist ideal für die Ernte von Minderwertigem- und Energieholz, für die Rodung von Feldern und Straßenrändern.
Mit der hydraulischen Baumschere des Minibaggers DELEKS® CF-10 können Bäume gefällt oder dünnere Hölzer zusammen mit dem Greifer zum Schneiden gebündelt werden. Die Schere hat eine starke gehärtete Klinge, die sauber und sicher durch das Holz schneidet.
Die Schere ist als feste oder vollständige 360-Grad-Drehung mit einem hydraulischen Rotator erhältlich, um Bäume zu entlasten oder umgestürztes Holz zu fällen.
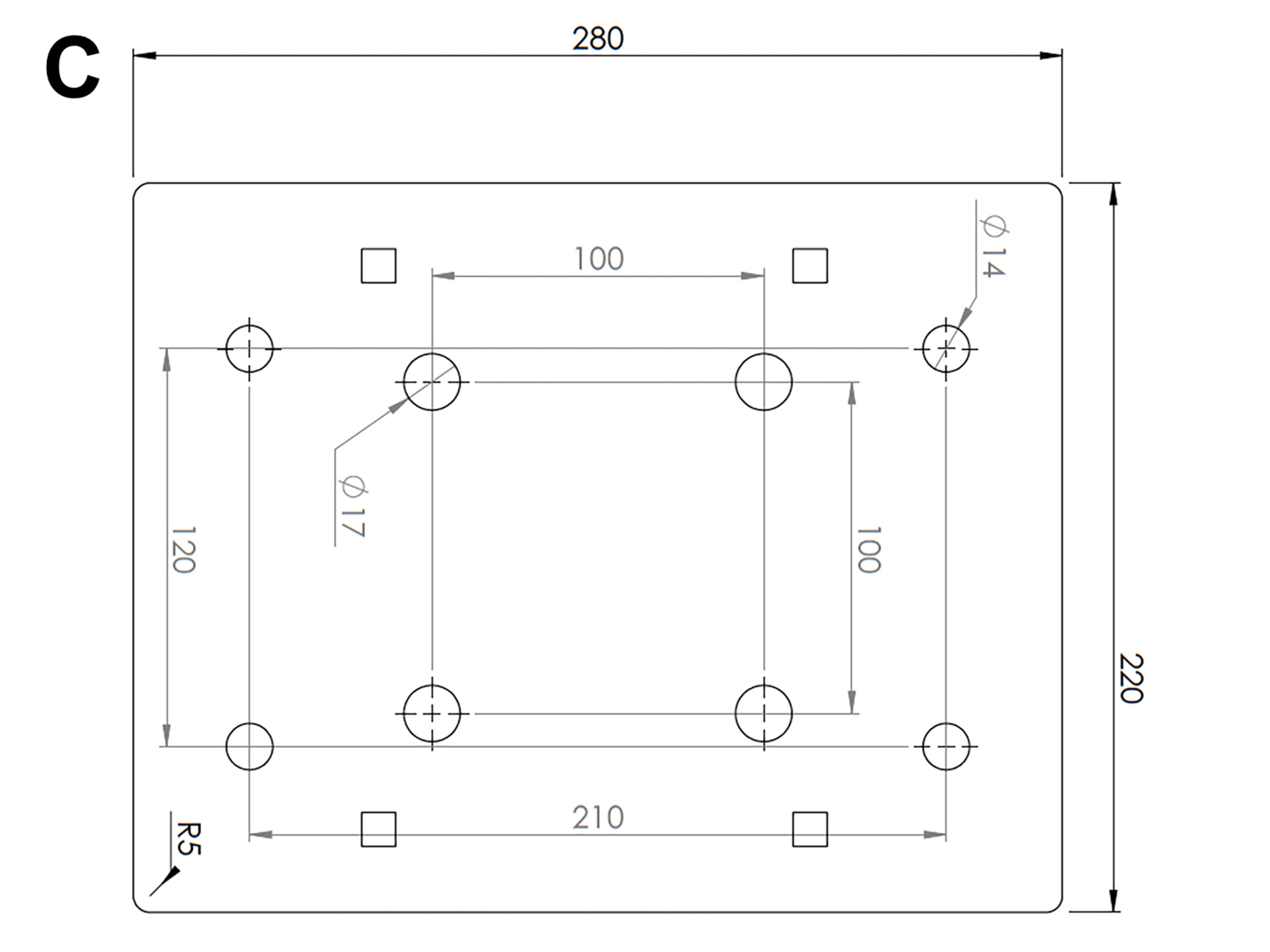
Abmessungen der Aufnahme: siehe Zeichnung C.
VORTEILE UND MERKMALE
Hergestellt aus 100% Hardox für maximalen Widerstand gegen Verdrehen.
Messer Made in Italy gehärtet 43 HRC.
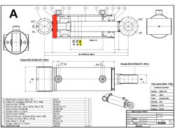
Speziell für diesen Einsatz konzipierter Hydraulikzylinder mit verstärktem Boden für hohe Belastungen (siehe Zeichnung A).
Stifte aus Spezialmaterial 42CrMo4 ø30 und ø35 mm (siehe Zeichnung B).
Der Fällgreifer ist einfach anzubringen und zu verwenden.
CF-10 ist die kleinste Schere der Reihe, und ihr geringes Gewicht ermöglicht es dem Minibagger, ihre Kapazität aufrechtzuerhalten.
Schneiden in Bodennähe> niedriger Stumpf: DELEKS® CF-10 schneidet das zu erntende Holz sauber und präzis an der gewünschten Stelle vom Boden aus und seine technischen Merkmale sorgen dafür, dass die Stümpfe in Bodennähe tief geschnitten werden.
2-in-1: Schneiden und Laden: Bei Bedarf kann das Schneidemesser entfernt werden. In diesem Fall wirkt der Fällkopf wie ein Holzgreifer.
MERKMALE
| Merkmale | Metrische Einheit |
|---|---|
| Gewicht | 52.0 kg |
| Stammschnittdurchmesser | 90-120 mm |
| Öldruck | 150 - 210 bar |
| Optimale Öldurchflussmenge | 08/22 l/m |
| Max. Öffnungsweite | 540.0 mm |
| Hydraulikzylinder Durchmesser | 80.0 - 35.0 mm |
| Minibagger Gewichtskategorie | 1.0 - 2.0 ton |
| Packmaße | 600.0*800.0*450.0 mm |
DETAILS
SCHLIESSENHydraulischer Fällgreifer – italienische Produktion – 100% Hardox, Klinge aus gehärtetem Stahl, zum Schneiden und Bearbeiten von Bäumen und Stämmen ø 10 cm.
ÜBERBLICK
CF-10 ist ideal für die Ernte von Minderwertigem- und Energieholz, für die Rodung von Feldern und Straßenrändern.
Mit der hydraulischen Baumschere des Minibaggers DELEKS® CF-10 können Bäume gefällt oder dünnere Hölzer zusammen mit dem Greifer zum Schneiden gebündelt werden. Die Schere hat eine starke gehärtete Klinge, die sauber und sicher durch das Holz schneidet.
Die Schere ist als feste oder vollständige 360-Grad-Drehung mit einem hydraulischen Rotator erhältlich, um Bäume zu entlasten oder umgestürztes Holz zu fällen.
Abmessungen der Aufnahme: siehe Zeichnung C.
VORTEILE UND MERKMALE
Hergestellt aus 100% Hardox für maximalen Widerstand gegen Verdrehen.
Messer Made in Italy gehärtet 43 HRC.
Speziell für diesen Einsatz konzipierter Hydraulikzylinder mit verstärktem Boden für hohe Belastungen (siehe Zeichnung A).
Stifte aus Spezialmaterial 42CrMo4 ø30 und ø35 mm (siehe Zeichnung B).
Der Fällgreifer ist einfach anzubringen und zu verwenden.
CF-10 ist die kleinste Schere der Reihe, und ihr geringes Gewicht ermöglicht es dem Minibagger, ihre Kapazität aufrechtzuerhalten.
Schneiden in Bodennähe> niedriger Stumpf: DELEKS® CF-10 schneidet das zu erntende Holz sauber und präzis an der gewünschten Stelle vom Boden aus und seine technischen Merkmale sorgen dafür, dass die Stümpfe in Bodennähe tief geschnitten werden.
2-in-1: Schneiden und Laden: Bei Bedarf kann das Schneidemesser entfernt werden. In diesem Fall wirkt der Fällkopf wie ein Holzgreifer.
MERKMALE
SCHLIESSEN| Merkmale | Metrische Einheit |
|---|---|
| Gewicht | 52.0 kg |
| Stammschnittdurchmesser | 90-120 mm |
| Öldruck | 150 - 210 bar |
| Optimale Öldurchflussmenge | 08/22 l/m |
| Max. Öffnungsweite | 540.0 mm |
| Hydraulikzylinder Durchmesser | 80.0 - 35.0 mm |
| Minibagger Gewichtskategorie | 1.0 - 2.0 ton |
| Packmaße | 600.0*800.0*450.0 mm |
English
