This page needs JavaScript activated to work. Fällkopf, Fällgreifer / Grab mit Rotator für Minibagger - 100% HARDOX
KOSTENLOSER VERSAND IN GANZ ÖSTERREICH

Wir liefern KOSTENLOS ! Besuche und Abholungen von unserer NL in Süd-Deutschland sind nach Vereinbarung unter Tel. +49 (0)176 43485982 möglich. Voraussichtliche Lieferzeit 15 - 20 Tagen ab Bestellung. Versand erfolgt mit DB Schenker oder Paketdienst. Sie bekommen vor Versand eine telef. Benachrichtigung von uns. Die Sendung wird vom Spediteur telef. avisiert.

Chuck Norris bietet Ihnen 5%RABATTauf das zweite Produkt SIEHE DETAILS

Loading...

Fällkopf, Fällgreifer / Grab mit Rotator für Minibagger - 100% HARDOX

Bewertungen

Verfügbar
Artikelnummer CF10R
EAN 8053470236105
Siehe alle Details.
GESAMT
2.081,00inkl. MwSt
Kostenlose Lieferung!
WEITERE INFORMATIONEN ANFRAGEN

DETAILS

Hydraulischer Fällgreifer – italienische Produktion – 100% Hardox, Klinge aus gehärtetem Stahl, mit Rotor, zum Schneiden und Bearbeiten von Bäumen und Stämmen ø 10 cm.

 

ÜBERBLICK

CF-10R ist ideal für die Ernte von Minderwertigem- und Energieholz, für die Rodung von Feldern und Straßenrändern.

Mit der hydraulischen Baumchere des Minibaggers DELEKS® CF-10R können Bäume gefällt oder dünnere Hölzer zusammen mit dem Greifer zum Schneiden gebündelt werden. Die Schere hat eine starke gehärtete Klinge, die sauber und sicher durch das Holz schneidet. 

Inklusive 3t-Rotator aus dem Hause Lombarda Ingranaggi.

Belastungsdiagramm für Rotator GR30FF: siehe Zeichnung D (Laden - Load | Hebelarm der Kraft L -  lever arm of force L )

 

VORTEILE UND MERKMALE

Hergestellt aus 100% Hardox für maximalen Widerstand gegen Verdrehen.

Messer Made in Italy gehärtet 43 HRC.

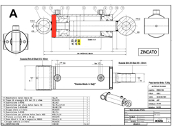
Speziell für diesen Einsatz konzipierter Hydraulikzylinder mit verstärktem Boden für hohe Belastungen (siehe Zeichnung A).

Stifte aus Spezialmaterial 42CrMo4 ø30 und ø35 mm (siehe Zeichnung B).

Der Fällgreifer ist einfach anzubringen und zu verwenden.

CF-10R ist die kleinste Schere der Reihe, und ihr geringes Gewicht ermöglicht es dem Minibagger, ihre Kapazität aufrechtzuerhalten.

Schneiden in Bodennähe> niedriger Stumpf: DELEKS® CF-10R schneidet das zu erntende Holz sauber und präzis an der gewünschten Stelle vom Boden aus und seine technischen Merkmale sorgen dafür, dass die Stümpfe in Bodennähe tief geschnitten werden. 

2-in-1: Schneiden und Laden: Bei Bedarf kann das Schneidemesser entfernt werden. In diesem Fall wirkt der Fällkopf wie ein Holzgreifer.

 




MERKMALE

Merkmale Metrische Einheit
Gewicht 72.0 kg
Stammschnittdurchmesser 90-120 mm
Öldruck 150 - 210 bar
Optimale Öldurchflussmenge 08/22 l/m
Hydraulikschläuche 400 bar Druck
Max. Öffnungsweite 540.0 mm
Hydraulikzylinder Durchmesser 80.0 - 35.0 mm
Minibagger Gewichtskategorie 1.0 - 2.0 ton
Packmaße 600.0*800.0*450.0 mm
DETAILS
MERKMALE

DETAILS

SCHLIESSEN

Hydraulischer Fällgreifer – italienische Produktion – 100% Hardox, Klinge aus gehärtetem Stahl, mit Rotor, zum Schneiden und Bearbeiten von Bäumen und Stämmen ø 10 cm.

 

ÜBERBLICK

CF-10R ist ideal für die Ernte von Minderwertigem- und Energieholz, für die Rodung von Feldern und Straßenrändern.

Mit der hydraulischen Baumchere des Minibaggers DELEKS® CF-10R können Bäume gefällt oder dünnere Hölzer zusammen mit dem Greifer zum Schneiden gebündelt werden. Die Schere hat eine starke gehärtete Klinge, die sauber und sicher durch das Holz schneidet. 

Inklusive 3t-Rotator aus dem Hause Lombarda Ingranaggi.

Belastungsdiagramm für Rotator GR30FF: siehe Zeichnung D (Laden - Load | Hebelarm der Kraft L -  lever arm of force L )

 

VORTEILE UND MERKMALE

Hergestellt aus 100% Hardox für maximalen Widerstand gegen Verdrehen.

Messer Made in Italy gehärtet 43 HRC.

Speziell für diesen Einsatz konzipierter Hydraulikzylinder mit verstärktem Boden für hohe Belastungen (siehe Zeichnung A).

Stifte aus Spezialmaterial 42CrMo4 ø30 und ø35 mm (siehe Zeichnung B).

Der Fällgreifer ist einfach anzubringen und zu verwenden.

CF-10R ist die kleinste Schere der Reihe, und ihr geringes Gewicht ermöglicht es dem Minibagger, ihre Kapazität aufrechtzuerhalten.

Schneiden in Bodennähe> niedriger Stumpf: DELEKS® CF-10R schneidet das zu erntende Holz sauber und präzis an der gewünschten Stelle vom Boden aus und seine technischen Merkmale sorgen dafür, dass die Stümpfe in Bodennähe tief geschnitten werden. 

2-in-1: Schneiden und Laden: Bei Bedarf kann das Schneidemesser entfernt werden. In diesem Fall wirkt der Fällkopf wie ein Holzgreifer.

 




MERKMALE

SCHLIESSEN
Merkmale Metrische Einheit
Gewicht 72.0 kg
Stammschnittdurchmesser 90-120 mm
Öldruck 150 - 210 bar
Optimale Öldurchflussmenge 08/22 l/m
Hydraulikschläuche 400 bar Druck
Max. Öffnungsweite 540.0 mm
Hydraulikzylinder Durchmesser 80.0 - 35.0 mm
Minibagger Gewichtskategorie 1.0 - 2.0 ton
Packmaße 600.0*800.0*450.0 mm

Bewertungen

Was unsere Kunden über uns sagen